Ổ KHOAN 3 TRỤC
Ổ KHOAN 3 TRỤC
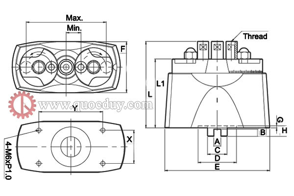
Model: 3C-W
- Khoảng cách giữa các trục điều chỉnh: Ø14 - Ø200mm.
- Công suất khoan gỗ lớn nhất: Ø10 - Ø50mm.
- Mũi khoan chạy với tốc độ cao lên đến 5500RPM
- Được thiết kế với định lý hồ quang
- Thích hợp ứng dụng cho nội thất nói chung và lắp ráp đồ chơi...
- Phù hợp cho việc lắp trên các máy khoan chung

|
Model
|
A
|
B
|
C
|
D
|
E
|
F
|
G
|
H
|
L1
|
L
|
X
|
Y
|
Min.
|
Max.
|
Max.
capacity |
Spindle
type |
|
3C-W14
|
10
|
10
|
28
|
55
|
121
|
58
|
3
|
18
|
107
|
132
|
40
|
73.8
|
14
|
88
|
Ø10
|
m8x1.25,
m10x1.5, |
|
3C-W20
|
10
|
10
|
28
|
55
|
150
|
71
|
3
|
17
|
112
|
137
|
46
|
88.8
|
20
|
112
|
Ø15
|
m8x1.25,
m10x1.5 |
|
3C-W22
|
10
|
10
|
28
|
55
|
162
|
76
|
3
|
17
|
114
|
139
|
46
|
88.8
|
22
|
128
|
Ø20
|
m8x1.25,
m10x1.5 |
|
3C-W26
|
10
|
10
|
28
|
55
|
191
|
92
|
3
|
15
|
118.5
|
143.5
|
46
|
88.8
|
26
|
152
|
Ø30
|
m8x1.25,
m10x1.5 |
|
3C-W36
|
10
|
10
|
28
|
55
|
251
|
114
|
3
|
15
|
141
|
166
|
70.7
|
70.7
|
36
|
200
|
Ø50
|
m8x1.25,
m10x1.5 |


















