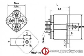
4 - SPINDLE CIRCULAR BORING HEAD
4 - SPINDLE ( CIRCULAR ) BORING HEAD

|
Model
|
A
|
B
|
C
|
D
|
E
|
G
|
H
|
L1
|
L
|
X
|
Y
|
Min.
|
Max.
|
Max.
capacity |
|
4C-W34
|
10
|
10
|
28
|
55
|
121
|
3
|
15
|
115
|
140
|
70.7
|
70.7
|
Ø34
|
Ø94
|
Ø10
|
|
4C-W42
|
10
|
10
|
28
|
55
|
145
|
3
|
15
|
117
|
132
|
70.7
|
70.7
|
Ø42
|
Ø114
|
Ø15
|
|
4C-W48
|
10
|
10
|
28
|
55
|
170
|
3
|
15
|
109
|
134
|
70.7
|
70.7
|
Ø48
|
Ø132
|
Ø20
|
|
4C-W58
|
10
|
10
|
28
|
55
|
192
|
3
|
15
|
118.5
|
143.5
|
70.7
|
70.7
|
Ø58
|
Ø158
|
Ø30
|
|
4C-W78
|
10
|
10
|
28
|
80
|
260
|
3
|
15
|
145
|
170
|
70.7
|
70.7
|
Ø78
|
Ø206
|
Ø50
|
|
5C-W20
|
10
|
10
|
28
|
55
|
145
|
3
|
15
|
117
|
132
|
70.7
|
70.7
|
Ø40
|
Ø112
|
Ø15
|



















